Щит ШОБН 6А на 2 ввода IP65 1200х800х400
Щит ШОБН 6А был произведен нашей компанией в апреле 2025 года.
Стоимость щита - 535 тыс..руб. с НДС.
Цена может меняться в зависимости от комплектации.
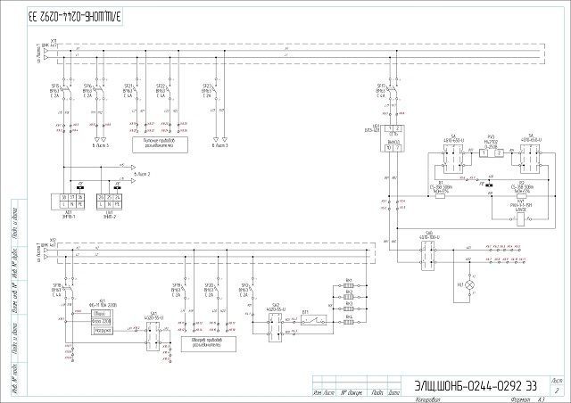
1. ШОНБ предназначен для отбора напряжения линии 35кВ
2. Изготовлен в соответствии с требованиями технических условий ТУ 27.14.31.001-0306202107-2021, сертификата соответствия №ЕАЭС RU C-RU.ЯД01.В.00161/22 серия RU №0424781
3. Имеет климатическое исполнение УХЛ категории 1 по ГОСТ 15150-69 (эксплуатация на открытом воздухе с воздействием любых атмосферных факторов (дождь, ливень, снег, пыль при сильном ветре))
4. Срок службы ШОНБ– не менее 25 лет.
Стоимость щита - 535 тыс..руб. с НДС.
Цена может меняться в зависимости от комплектации.
1. ШОНБ предназначен для отбора напряжения линии 35кВ
2. Изготовлен в соответствии с требованиями технических условий ТУ 27.14.31.001-0306202107-2021, сертификата соответствия №ЕАЭС RU C-RU.ЯД01.В.00161/22 серия RU №0424781
3. Имеет климатическое исполнение УХЛ категории 1 по ГОСТ 15150-69 (эксплуатация на открытом воздухе с воздействием любых атмосферных факторов (дождь, ливень, снег, пыль при сильном ветре))
4. Срок службы ШОНБ– не менее 25 лет.
Комплектация ШОБН 6А
| № | Наименование | Количество |
| 1 | ЩМП ДКС 1200 800 400мм ST, IP66 | 1 |
| 2 | Внутренняя дверь без ручки 1200х800 | 1 |
| 3 | ВМ63 3п 2А B 6кА КЭАЗ OptiDin |
1 |
| 4 | ВМ63 2п 2А C 6кА КЭАЗ OptiDin | 2 |
| 5 | ВМ63 2п 4А C 6кА КЭАЗ OptiDin | 2 |
| 6 | ВМ63 1п 2А C 6кА КЭАЗ OptiDin | 4 |
| 7 | ВМ63 2п 6А C 6кА КЭАЗ OptiDin | 2 |
| 8 |
ВМ63 1п 4А C 6кА КЭАЗ OptiDin |
3 |
| 9 | ВМ63 1п 2А B 6кА КЭАЗ OptiDin | 1 |
| 10 | TDM ВН 32 3P 20A | 1 |
| 11 | ТДМ ВН-32 1P 20A TDM | 1 |
| 12 | БПЗ-401 УХЛ4 Блок питания и заряда | 1 |
| 13 | ЭНИП-2-45/100-220-А2Е4X2-21 МНОГОФУНКЦИОНАЛЬНЫЙ ИЗМЕРИТЕЛЬНЫЙ ПРЕОБРАЗОВАТЕЛЬ | 1 |
| 14 | Модуль ввода-вывода ЭНМВ-1-16(24)/6-220-А2E4 | 1 |
| 15 | Модульный блок 19 с DIN рейкой, 3U | 2 |
| 16 | NIS-3200-208GS Промышленный коммутатор | 1 |
| 17 | Клеммник 4-х выводной с размыкателем, 4 мм.кв., (серый) AVK 4 CCA 50шт в уп | 40 |
| 18 | AVK4 RP Клеммник 4кв.мм сер на DIN-рейку Klemsan | 185 |
| 19 | Вольтметр 250В 96х96 AC непосредственного включения | 2 |
| 20 | МУФТА ВВОДНАЯ ДЛЯ МЕТАЛЛОРУКАВА ВМУ-20 (3/4") | 30 |
| 21 | Блок питания БП60Б-Д4-24 ОВЕН | 1 |
| 22 | 4G10-650-U-R014 OptiSwitch Переключатель | 1 |
| 23 | ФБ 11 10А 220В Фотоблок на t -50С | 1 |
| 24 | Кулачковый переключатель 4G 10 55 U R014 OptiSwitch КЭАЗ | 2 |
| 25 | Устройство грозозащиты локальных вычислительных сетей SP-IP/100D | 1 |
| 26 | РКН-1-1-15М УХЛ2 Реле | 1 |
| 27 | 4G10-100-U-R014 Переключатель OptiSwitch | 1 |
| 28 | Перемычка для AVK4/ PIK4N/AVK4C 10п UK4/10 | 5 |
| 29 | Резистор С5-35В 80ВТ 680Ом 5% | 4 |
| 30 | ДК ВМ63 КЭАЗ 230В 1ПК Модуль свободных конт МСК 1 OptiDin | 1 |
| 31 | Резистор С5-35В 50Вт 1кОм±5% | 2 |
| 32 | Заглушка NPP 2,5-10 на клеммы AVK(2,5-10)/ AVK RD (2,5-4) серая | 10 |
| 33 | Сигнальная лампа белая 220В AC/DC 22мм LED MeyerTec IP65 | 1 |
| 34 | Перемычка для AVK4RD- YBK4*- ASK3*- MVK4, (2 полюса) UK 4-2 | 2 |
| 35 | Концевая пластина NPP/AVK 4CC-CCA | 2 |
| 36 | Вольтметр М4272 В 0-250 1,5 В ОО | 1 |
Характеристики ШОБН 6А
| 1 | Напряжение и частота питающей сети | 220 В, 50Гц (1ф+PE+N) |
| 2 | Кол-во вводов | 2 ввода |
| 3 | Номинальный ток (А) | 6 |
| 4 | Номинальное напряжение (В) | 220 |
| 5 | Наличие коммерческого учета электроэнергии | нет |
| 6 | Наличие измерительных приборов | да |
| 7 | Тип АВР и модификация управления | нет |
| 8 | Рабочий диапазон температуры окружающей среды, град. С | От -60 до +40 |
| 9 | Габаритные размеры, мм | 1200х800х400 |
| (высота / ширина / глубина) | ||
| 10 | Форма внутреннего секционирования | 1 |
| 11 | Степень защиты | IP65 |
| 12 | Исполнение | Навесное |
| 13 | Сопротивление изоляции не менее, МОм | 10 |

