Щит ЩОК 25А на 1 ввод IP54 600х400х250
Щит ВРУ 1000А был произведен нашей компанией в июне 2025 года.
Стоимость щита - 88 тыс.руб. с НДС.
Цена может меняться в зависимости от комплектации.
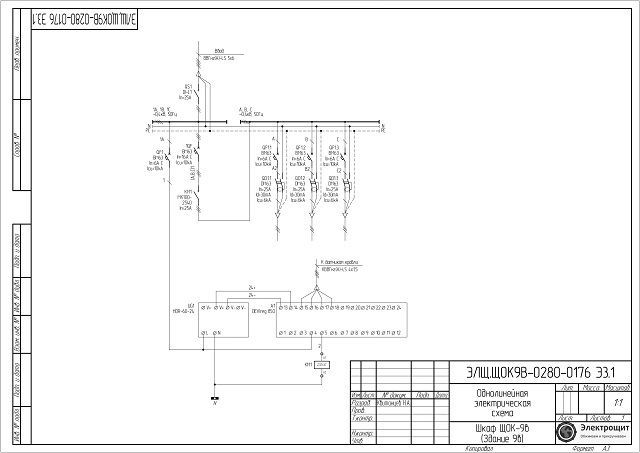
1. ЩОК предназначен для ввода, распределения электроэнергии, а также защиты линий при перегрузках и коротких замыканиях, в сетях номинальное напряжение которых не превышает 380В переменного тока частотой не более 50 Гц.
2. Изготовлен в соответствии с требованиями технических условий ТУ 27.14.31.001-0306202107-2021, сертификата соответствия №ЕАЭС RU C-RU.ЯД01.В.00161/22 серия RU №0424781
3. Имеет климатическое исполнение УХЛ категории 4 по ГОСТ 15150-69 (эксплуатация в крытых помещениях с отоплением и с искусственной вентиляцией (регулирование температурных условий, нет низких температур, низкая концентрация пыли))
4. Срок службы ЩОК – не менее 25 лет.
Стоимость щита - 88 тыс.руб. с НДС.
Цена может меняться в зависимости от комплектации.
1. ЩОК предназначен для ввода, распределения электроэнергии, а также защиты линий при перегрузках и коротких замыканиях, в сетях номинальное напряжение которых не превышает 380В переменного тока частотой не более 50 Гц.
2. Изготовлен в соответствии с требованиями технических условий ТУ 27.14.31.001-0306202107-2021, сертификата соответствия №ЕАЭС RU C-RU.ЯД01.В.00161/22 серия RU №0424781
3. Имеет климатическое исполнение УХЛ категории 4 по ГОСТ 15150-69 (эксплуатация в крытых помещениях с отоплением и с искусственной вентиляцией (регулирование температурных условий, нет низких температур, низкая концентрация пыли))
4. Срок службы ЩОК – не менее 25 лет.
Комплектация ЩОК 25А
| № | Наименование | Количество |
| 1 | ЩМП ДКС 600 400 250мм ST, IP66 | 1 |
| 2 | ВМ63 1п 6А C 10кА КЭАЗ OptiDin | 4 |
| 3 | ВМ63 3п 16А C 10кА КЭАЗ OptiDin | 1 |
| 4 | Devireg 850 Терморегулятор с источником питания 24 В | 1 |
| 5 | DM63 2п 25А 30мА 6кА тип AC OпtiDin КЭАЗ узо | 3 |
| 6 | HDR-60-24, Блок питания, 24В,2.5А,60Вт | 1 |
| 7 | МК 100 4п 25А 230В AC 4НО КЭАЗ OptiDin (МК-100-2540) | 1 |
| 8 | Рубильник 25А нерев 3п КЭАЗ OptiSwitch DI-L1 | 1 |
| 9 | КВМ 35 Мультифланец TDM IP66 СКЛАД | 1 |
Характеристики ЩОК 25А
| 1 | Напряжение и частота питающей сети | 380 В, 50Гц (3ф+PE+N) |
| 2 | Кол-во вводов | 1 ввод |
| 3 | Номинальный ток (А) | 25 |
| 4 | Номинальное напряжение (В) | 380 |
| 5 | Наличие коммерческого учета электроэнергии | нет |
| 6 | Наличие измерительных приборов | нет |
| 7 | Тип АВР и модификация управления | нет |
| 8 | Рабочий диапазон температуры окружающей среды, град. С | От +1 до +35 |
| 9 | Габаритные размеры, мм | 600х400х250 |
| (высота / ширина / глубина) | ||
| 10 | Форма внутреннего секционирования | 1 |
| 11 | Степень защиты | IP54 |
| 12 | Исполнение | Навесное |
| 13 | Сопротивление изоляции не менее, МОм | 10 |

