Щит ШУКНС 160А 3Ф IP65 1200х750х300
Щит ШУКНС 160А был произведен нашей компанией в марте 2025 года.
Стоимость щита - 253 тыс.руб. с НДС.
Цена может меняться в зависимости от комплектации.
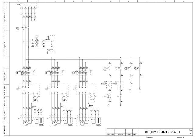
1. Щит управления в модификации ШУКНС 3.40-63А.380.10.М72.УПП.УХЛ1 предназначен для обеспечения работы канализационных насосов, оснащенных электродвигателем переменного тока с номинальным напряжением ~3х380В.
2. Изготовлен в соответствии с требованиями технических условий ТУ 27.14.31.001-0306202107-2021, сертификата соответствия №ЕАЭС RU C-RU.ЯД01.В.00161/22 серия RU №0424781
3. Имеет климатическое исполнение УХЛ категории 1 по ГОСТ 15150-69
4. Срок службы ЩУ – не менее 10 лет.
Стоимость щита - 253 тыс.руб. с НДС.
Цена может меняться в зависимости от комплектации.
1. Щит управления в модификации ШУКНС 3.40-63А.380.10.М72.УПП.УХЛ1 предназначен для обеспечения работы канализационных насосов, оснащенных электродвигателем переменного тока с номинальным напряжением ~3х380В.
2. Изготовлен в соответствии с требованиями технических условий ТУ 27.14.31.001-0306202107-2021, сертификата соответствия №ЕАЭС RU C-RU.ЯД01.В.00161/22 серия RU №0424781
3. Имеет климатическое исполнение УХЛ категории 1 по ГОСТ 15150-69
4. Срок службы ЩУ – не менее 10 лет.
Комплектация ШУКНС 160А
| № | Наименование | Количество |
| 1 | ЩМПг-120.75.30 каб фланец IP65 PROxima | 1 |
| 2 | ВА 103 1п 6А C 6кА DEKraft new | 4 |
| 3 | ВА 103 3п 6А C 6кА DEKraft new | 1 |
| 4 | ESQ GS7 022 (43А 22кВт 380В, шунтир. контактор) | 3 |
| 5 | ВА 432 40-63A 3п 30кА DEKraft | 4 |
| 6 | Контроллер прогр M72OD20R Moderon M72 Optimized | 1 |
| 7 | РЗН-1М АС230В УХЛ4 Меандр Реле защиты насосов | 3 |
| 8 | ВР 101 160А 3п с ДК DEKraft | 1 |
| 9 | Модуль расширения входов, 16хUI Moderon M72E | 1 |
| 10 | Вентилятор 150х150 (TDM) 55/43 м3/ч 20Вт | 2 |
| 11 | MTB4-BL8325 Кнопка двойная кр/зел I+O 1NO+1NC IP65 плоск металл MEYERTEC | 3 |
| 12 | Контакт доп. боковой 1НО+1НЗ для ВА-432 | 3 |
| 13 | Блок питания 24B 1A 24Вт | 1 |
| 14 | Обогреватель на дин-рейку клеммный 75Вт 230В IP20 PROxima | 1 |
| 15 | Сигнальная лампа зеленый 220V AC/DC IP65 MeyerTec | 6 |
| 16 | Вентиляционная решетка 150х150 (TDM) с фильтром | 1 |
| 17 | Сигнальная лампа красный 220V AC IP65 MeyerTec | 5 |
| 18 | MTB2-BDZ133 Переключатель 3 поз 2NO с/ф металл IP65 MeyerTec | 1 |
| 19 | Сигнальная лампа желтый 220V AC IP65 MeyerTec | 2 |
| 20 | Реле 4СО 230В АС Shenler RKE | 15 |
| 21 | Колодка реле 4СО Shenler | 15 |
| 22 | РНПП 311М | 1 |
| 23 | Термостат обогрев TDM | 1 |
| 24 | Термостат охлаждение TDM | 1 |
Характеристики ШУКНС 160А
| 1 | Напряжение и частота питающей сети | 380В, 50Гц (3ф+N+PE) |
| 2 | Кол-во насосов (шт.) | 3 |
| 3 | Номинальный ток (А) | 160 |
| 4 | Номинальное напряжение (В) | 380 |
| 5 | Способ пуска/регулирование | УПП/М72 |
| 6 | Количество поплавков | 5 |
| 7 | Количество датчиков ГСУ | - |
| 8 | Визуальный контроль силы тока | - |
| 9 | Рабочий диапазон температуры окружающей среды, град. С | От -60 до +40 |
| 10 | Версия ПО | - |
| 11 | Габаритные размеры, мм (высота/ширина/глубина) | 1200х750х300 |
| 12 | Вес ЩУ, кг | 100 |
| 13 | Степень защиты | IP65 |
| 14 | Исполнение | Навесное |
| 15 | Сопротивление изоляции не менее, МОм | 10 |

