В данный момент нет активных товаров
АВР виды
АВР виды
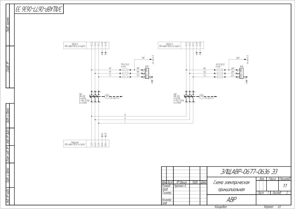
Щит автоматического ввода резерва на 400А на два ввода на базе коммутационного оборудования производства ЭКФ
Был произведен нашей компанией в ноябре 2023 год.
Цена на данный щит составила 240 тысяч рублей с НДС. Стоимость щита может варьироваться в зависимости от комплектации.
Для уточнения цены на типовой шкаф, рекомендуем использовать наш он лайн калькулятор
Рекомендуем ознакомиться с нашим видео, как мы делаем щиты АВР, ВРУ и ГРЩ в конвейерном режиме.
Комплектация щита АВР на 400А на два ввода
| 1 | ВА-99C 400/400А 3P 45кА EKF | 2,000 | |
| 2 | Контакты вспомогательные к ВА-99С (Compact NS) 100-1250А EKF PROxima | 4,000 | |
| 3 | Электропривод к ВА-99С CD/2-630 EKF | 2,000 | |
| 4 | РНПП 311М Склад | 2,000 | |
| 5 | ЗНИ 4 для плавких вставок 5х20 серая JXB-4/35RD ЕКФ СКЛАД | 6,000 | |
| 6 | Вставка плавкая 5х20 5А Klemsan СКЛАД | 6,000 | |
| 7 | Лампа зеленая 230В АС IP40 ND16-22DS/4 CHINT Склад | 2,000 | |
| 8 | Лампа белая 230В АС IP40 ND16-22DS/4 CHINT Склад | 2,000 | |
| 9 | Лампа желтая 230В АС IP40 ND16-22DS/4 CHINT Склад | 2,000 | |
| 10 | Лампа красная 230В АС IP40 ND16-22DS/4 CHINT Склад | 2,000 | |
| 11 | Реле 2СО 230В АС Shenler RFT СКЛАД | 1,000 | |
| 12 | Колодка реле 2СО Shenler СКЛАД | 1,000 | |
| 13 | ПР102 Программируемое реле ~230В, 24DI(230), 16DO-R, 1хRS-485 | 1,000 | |
| 14 | Кнопка красная 1НЗ IP40 NP2-BA42 CHINT Склад | 2,000 | |
| 15 | Кнопка зеленая 1НО IP40 NP2-BA31 CHINT Склад | 2,000 | |
| 16 | Переключатель 2х поз. с фикс. 1НО IP40 NP2-BD21 CHINT Склад | 1,000 | |
| 17 | CQE Дно + крыша 800 600 мм DKC | 1,000 | |
| 18 | Стойка вертикальная 2000 мм без дополнительных креплений (4шт) | 1,000 | |
| 19 | Сплошная дверь 2000 800 R5CPE2080 | 1,000 | |
| 20 | Задняя панель 2000 800 R5CRE2080 | 1,000 | |
| 21 | CQE Панели боковые 2000х600мм (2шт) | 1,000 | |
| 22 | CQE Угловой элемент цоколя В=200мм (4шт) DKC | 1,000 | |
| 23 | CQE Панель цоколя 800х200мм (2шт) DKC | 1,000 | |
| 24 | CQE Панель цоколя 600х200мм (2шт) DKC | 1,000 | |
| 25 | Щеточный ввод 400*45 ЕKF Basic (2шт) СКЛАД | 1,000 | |
| 26 | ШМТ 30 5 (цена за 1м), 1,375кг/м.п. (ток 539) | 14,000 |
Характеристики щита АВР на 400А на два ввода
|
Номинальный ток, А |
32 |
|
Кол-во вводов |
2 |
|
Источник питания |
1 |
|
Частота тока, Гц |
1 |
|
Количество фаз |
1 |
|
Произ-ль осн.комплектующих |
1 |
|
Степень защиты корпуса |
1 |
|
Габаритные размеры, ВхШхГ |
13 x 12 |
|
Кол-во насосов |
2 |
|
Способ управления |
fff |
|
Тип включения |
fff |
О НАШЕМ ПРОИЗВОДСТВЕ
Электрощит 2023 год. Какие мы стали. Итоги
В данный момент нет активных товаров
предложение широкого ассортимента товаров и услуг на постоянно высоком качестве обслуживания.


